1、WD系列臥式回轉(zhuǎn)減速機(SE)
型號 Size |
輸出轉(zhuǎn)矩 Output Torque (KN·m) |
傾翻力矩 Tilting Moment Torque (KN·m) |
保持力矩 Holding Torque(KN·m) |
軸向 靜載荷 Static Axial Rating (KN) |
徑向 靜載荷 Static Radial Rating (KN) |
軸向 動載荷 Dynamic Axial Rating (KN) |
徑向 動載荷 Dynamic Radial Rating (KN) |
減速比 Gear ratio |
精度Accuracy |
重量 Weight (Kg) |
WD7 |
1.5 |
13.5 |
10.4 |
133 |
53 |
32 |
28 |
73:1 |
A ≤0.2° B ≤0.1° C ≤0.05° |
26 |
WD9 |
6.5 |
33.9 |
32.5 |
338 |
135 |
81 |
71 |
62:1 |
|
52 |
WD12 |
7.5 |
54.3 |
43 |
475 |
190 |
114 |
100 |
78:1 |
|
62 |
WD14 |
8 |
67.8 |
48 |
555 |
222 |
133 |
117 |
85:1 |
|
66 |
WD17 |
10 |
135.6 |
72.3 |
970 |
390 |
235 |
205 |
102:1 |
|
95 |
WD19 |
12 |
155 |
88 |
1431 |
596 |
349 |
300 |
116:1 |
|
138 |
WD21 |
15 |
203 |
105.9 |
1598 |
640 |
360 |
320 |
125:1 |
|
190 |
WD25 |
18 |
271 |
158.3 |
2360 |
945 |
480 |
450 |
124:1 |
|
210 |
WD28 |
22 |
358 |
165 |
2400 |
950 |
600 |
479 |
137:1 |
|
230 |

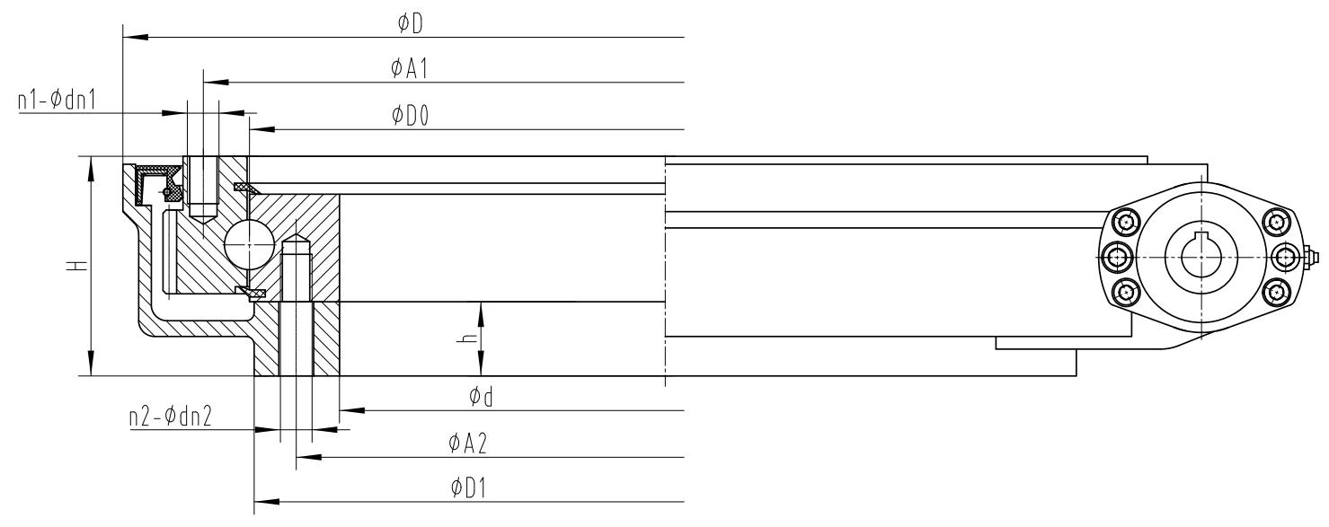
型號 Size |
外形尺寸 (mm) |
結(jié)構(gòu)尺寸 (mm) |
安裝尺寸 (mm) |
|||||||
|
D |
d |
H |
D0 |
D1 |
h |
n1 |
dn1 |
n2 |
dn2 |
WD7 |
262 |
98 |
81 |
163 |
150 |
20 |
8 |
M12 |
10 |
M12 |
WD9 |
345 |
144 |
97.5 |
224 |
210 |
26.5 |
10 |
M16 |
10 |
M16 |
WD12 |
436 |
229 |
112 |
314 |
300 |
38 |
18 |
M16 |
19 |
M16 |
WD14 |
476 |
265 |
110 |
342 |
325 |
39 |
18 |
M16 |
23 |
M16 |
WD17 |
560 |
332 |
108 |
422 |
406 |
30 |
20 |
M16 |
20 |
M16 |
WD19 |
620 |
380 |
108 |
475 |
485 |
25 |
32 |
M16 |
31 |
M16 |
WD21 |
686 |
412 |
139 |
526 |
520 |
47 |
36 |
M20 |
35 |
M20 |
WD25 |
794 |
522 |
122 |
630 |
630 |
32 |
32 |
M20 |
31 |
M20 |
WD28 |
876 |
608 |
135 |
710 |
710 |
40 |
36 |
M20 |
35 |
M20 |
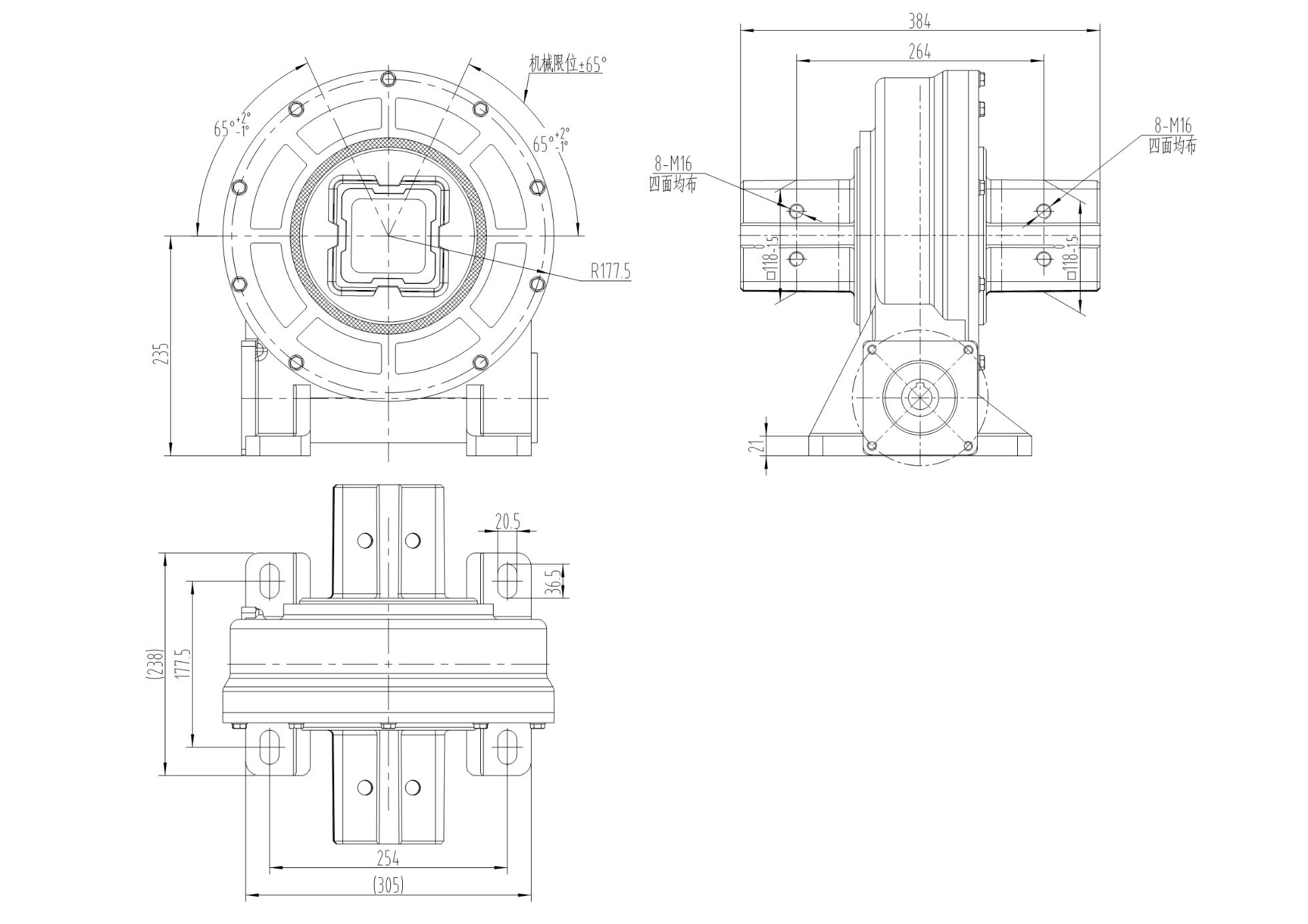
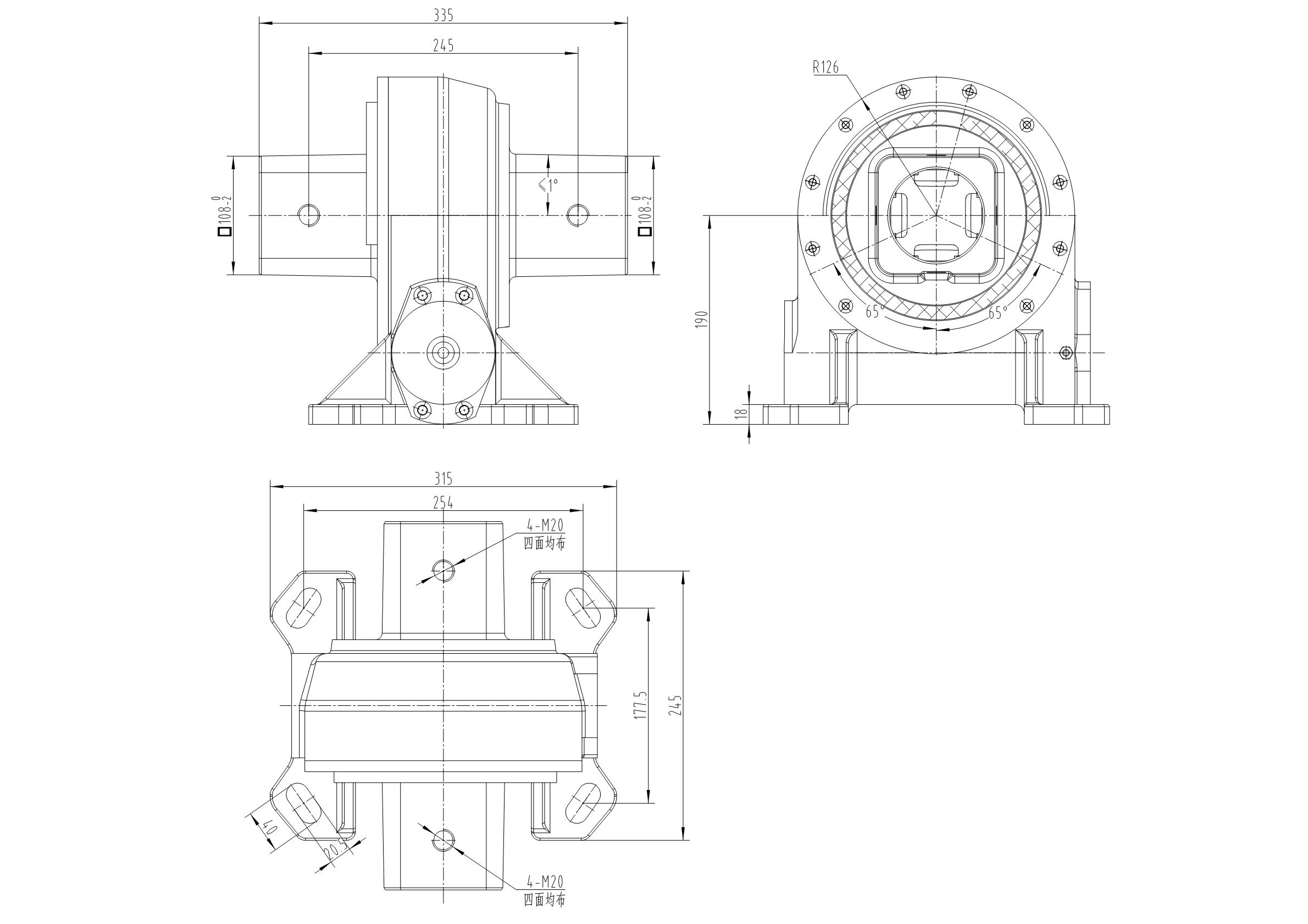
2、 VE系列半齒立式回轉(zhuǎn)減速機
型號
Size
額定輸出轉(zhuǎn)矩
Output Torque
(KN·m)
最大輸出轉(zhuǎn)矩
Output Torque
Max.
(KN·m)
保持力矩
Holding
Torque(KN·m)
減速比
Gear ratio
精度Accuracy
重量
Weight
(Kg)
VE7
5
6.5
39
60:1
≤0.2°
44
VE9
6.5
8
55
62:1
80
VE7示意圖

VE9示意圖
